
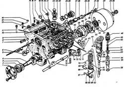
Устройство ТНВД
ТНВД отвечает за рассредоточение топлива по цилиндрам мотора строго дозированными порциями. В КАМАЗ устройство таково, что имеет систему питания топливом разделенного типа.
Она состоит из топливного насоса высокого давления, фильтров грубой и тонкой очистки, форсунок, топливоприводов, топливных баков, насоса низкого давления, электромагнитного клапана, факельных свечей электрофакельного пускового механизма.
Принцип работы
ТНВД КАМАЗ устройство работает следующим образом. Из бака через фильтрующий элемент проходит топливо. Оно засасывается топливоподкачивающим насосом через фильтрующий элемент тонкой очистки движется к топливному насосу высокого давления. Согласно порядку работы цилиндров мотора насос распределяет топливо по трубопроводам высокого давления к форсункам, которые распыляют и впрыскивают топливо в камеры сгорания.
Избыток топлива и ненужный воздух отводятся в топливный бак. Топливо, которое прошло через промежуток между корпусом распылителя и иглой , собирается в сливные топливопроводы.

Система питания топливом обеспечивает равномерное распределение топлива и его очистку. ТНВД КАМАЗ имеет устройство, позволяющееподавать в цилиндры двигателя порции топлива, также происходит смазывание насоса, циркуляционное, под давлением от общей смазочной системы двигателя.
Топливный насос низкого давления поршневого типа размещается на задней крышке регулятора. С помощью кулачкового вала насоса высокого давления в действие приводится насос низкого давления. Спереди крепится автоматическая муфта опережения впрыска топлива, нужная для изменения момента начала подачи топлива в цилиндры двигателя, что зависит от частоты вращения коленвала.
Диагностика ТНВД
Рекомендуется периодически производить диагностику устройства ТНВД КАМАЗ . Можно начать проверку с наличия в ТНВД посторонних шумов. Но такая диагностика укажет на неисправность насоса, и не даст точной характеристики. Для уточнения неисправностей нужна профессиональная диагностика. Прибор ДД-2115 позволяет уточнить состояние плунжерных пар топливного насоса. Как правило , поломки случаются именно из-за них.
Также применяется механотестер топливной аппаратуры. МТА-2 определяет эффективность работы форсунки. Он измеряет давление начала впрыска, герметичность корпуса распылителя. Качество распыления во многом зависит от качества топлива и его вязкости. После ремонта ТНВД КАМАЗ потребуется его регулировка. 
Комментарии