
Замена тросика капота
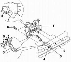
Наверняка, многие сталкивались с такой проблемой как пораванный тросик капота. Вариантов решения может быть несколько. Прежде чем снимать рычаг разблокировки необходимо снять решетку радиатора. Для этого нужно с помощью отвертки в задней части рычага разблокировки замка капота разжать усики и снять рычаг.
Далее нужно отвинтить два болта, которыми крепится замок капота. Следующим этапом нужно отсоединить трос капота от замка. И отсоединить электроразъём от микровыключателя сигнализации. И наконец снять замок капота с автомобиля.

Ещё один вариант если порвался тросик капота. Нужно во-первых проверить порвался ли он. Для этого нужно проверить замок – возможно просто заело. Если и в самом деле заело замок – нужно просто его чаще смазывать.
Если же в самом деле порвался тросика капота , то следует открыть капот с помощью отвертки, что достаточно трудоемкий процесс. А когда вылезет тросик, то нужно потянуть плоскобуцами на себя. Ломать решетку нет необходимости.
Предлагается ещё один вариант что делать , если порвался тросика капота. Металлическим прутиком длинной около пятисот мм нужно загнуть на 90 градусов по 40-50 мм.
Далее просунуть его через решетку радиатора, зацепить рычаг, где продет трос, а другим концом повернуть к центру. Так сделать с обеих сторон, и очень аккуратно, чтобы не зацепить ничего лишнего. Потом капот открывается почти без проблем.

Заменить тросик можно в автосалоне. Эта процедура не стоит слишком дорого.
Комментарии